服务热线

400-869-8582

我们能帮您找点什么吗?

Leuze DCR50M2/R2 固定式2D条码阅读器

劳易测 Leuze DCR50M2/R2 固定式 2D 条码阅读器/微型扫描仪(商品编号: 50135000),适合读取 1D/2D 条码的微型扫描仪的特点是外壳尺寸小,在可用安装空间有限时也可以使用。

一、产品介绍

产品简介
系列:

DCR 50

接口:

RS 232

功能:

读取 2D 条码,一维码

开关原理:

晶体管,NPN
可读条码类型

2/5 隔行扫描码

Code 93

Micro PDF码

Australian Post

11码

Code 128

Micro QR

Canada Post(加拿大邮政)

32码

EAN/UPC

PDF417

日本邮局

49码

GS1 DataBarPharma码

智能邮件

Aztec码

GS1 复合材料

QR编码

英国皇家邮箱

Codabar

KIX 码

Telepen

行星
Codablock F

MSI Plessey

UPU ID 标签

邮局网络

Code 39

Maxicode

数据矩阵条码韩国邮局

二、技术规格

光学数据

光学系统:

CMOS 成像仪 · Rolling Shutter(1280*960)

读取范围:

30 mm ... 425 mm
对比度:1D-Code:最小15%;2D-Code:最小15%分辨率:1D-Code:m=0.191mm(7.5mil).取决于距离;2D-Code:m=0.127mm(5mil).取决于距离
光源:
照明,校准LED(Aimer)内装LED:可见红光,可见蓝光
代码规格

条码类型:1D

BC412,Codabar,Code 11,Code 32,Code 39,Code 93,Code 128,IATA 2 of 5,Interleaved 2 of 5,GS1 DataBar,Hong Kong 2 of 5,Matrix 2 of 5,MSI Plessey,NEC 2 of 5,Pharmacode,Plessey,Straight 2 of 5,Telepen,Trioptic,UPC/EAN/JAN

代码类型:Stacked 1D

Codablock F,Code 49,GS1 Composite(CC-A/CC-B/CC-C),MicroPDF,PDF417
条码类型:2DAztec Code,Data Matrix,Han Xin,Micro QR Code,QR CodePostal Codes:

Australian Post,Canada Post,Intelligent Mail,Japan Post,KIX Code,

Korea Post,Planet,Postnet,UK Royal Mail,UPU ID Tags

接口

接口类型:

RS 232

波特率:

9600 ... 115200 波特 · 可配置
数据格式:可配置触发器:

开关量输入(激活:0 V,禁用:+5 V或无连接),演示模式(Motion Control)

开关量输出:NPN 晶体管输出 · 最大20 mA · 成功解码蜂鸣器:NPN 晶体管输出 · 调制 · Good Read
电气设备
工作电压:4.75 ... 5.25 V DC电流消耗:持续读取:常规350 mA;照明禁用:常规75mA
环境数据
工作温度:0 °C ... 50 °C存放温度:-20 °C ... 60°C
空气湿度:10% ... 90%相对湿度 · 不凝结外部环境光:最大100000 Lux
电磁兼容性:EN 55022:2006 Class B,IEC 62471:2006一致性:CE,FCC,RoHS
机械数据
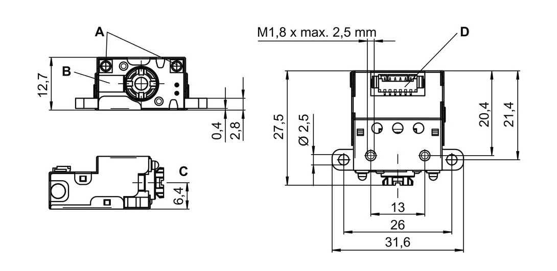
连接方式:Molex Inc.(53261-0671),6针重量:10 g
尺寸(宽*高*深):31.5 * 31.60 * 27.53 mm固定:4个M-1.8自攻螺栓 · 2mm深
Leuze DCR50M2R2 固定式2D条码阅读器尺寸规格.jpg

三、同类型产品

(1)DCR 55 系列

    • DCR55M2/R2-150-M12.8

    • DCR55M2/UB-1800-S6

(2)DCR 50

    • DCR50M2/R2

推荐产品

热门资讯

头条

3DMCV7 是MicroStrain 推出的一款具备战术级性能的惯性传感器

佛蒙特州威利斯顿,2022 年 5 月 27 日- 全球运动和控制技术领导者派克汉尼汾公司的派克洛德噪声、振动和声振粗糙度部门通过推出3DM CV7-AHRS 和3DM扩大了其 MicroStrain 传感产品组合CV7-AR 惯性传感器。3DM CV7传感器采用迄今为止最小、最轻的 OEM 封装,提供战术级惯性性能。3DM CV7 传感器专为大批量 OEM 机器人应用而设计,能够以令人难以置信的价值提供始终如一的准确结果。

2025-10-31
探索更多

Leuze DCR50M2/R2 固定式2D条码阅读器

咨询或邀约我们

请在线留言

captcha
我已阅读并同意使用条款隐私保护政策
我已阅读并同意使用条款隐私保护政策