服务热线

400-869-8582

我们能帮您找点什么吗?

Baumer OM70-L0140.HH0070.VI 高性能激光测距传感器

堡盟 Baumer OM70-L0140.HH0070.VI 是一款高性能激光测距传感器/距离传感器,货号: 11200062。

一、产品特点

    • 带实时监控功能的触摸显示屏。

    • 开关点输出可配置。

    • 触发模式及精度可选。

二、技术规格

(1)基本参数
类型:

距离测量

版本:

OM70 线激光

测量距离 Sd:

40 … 140 mm

测量范围 Mr:

100 mm

最佳测量位置:

70 mm

调节:

触摸屏,RS485

上电指示灯:

绿色LED

输出指示灯:黄色LED / 红色LED

分辨率:

1,2 … 2,5 µm

重复精度:

0,3 … 0,7 µm

线性误差:

± 0,07 % MR

光束类型:

线激光

温漂:

< 0.015% Sde/K

数字量输出迟滞:

可调节

(2)光源

光源:

脉冲红色激光二极管

波长:

660 nm

激光等级:

1

(3)电气参数

Response delay:

0,8 ms

测量频率:

2500 Hz

电源电压范围 +Vs:

15 … 28 VDC

最大电流消耗(无负载):

75 mA

输出电路:

模拟量和RS485

输出信号:

4…20 mA / 0…10 VDC

输出电流:100 mA开关量输出:推挽式
短路保护:反极性保护:是,Vs到GND
(4)通信接口

接口:

RS485

波特率:

115200,可调

(5)机械参数

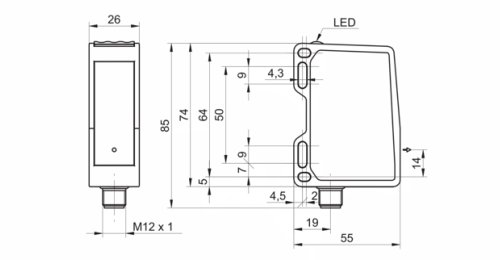
宽度 / 直径:

26 mm

高度 / 长度:

74 mm

深度:

55 mm类型:矩形,正视型

外壳材质:

前端光学元件:

玻璃

连接方式:M12 接头,8针重量:130 g
(6)环境条件

抗环境光干扰能力:

< 35 kLux

防护等级:

IP 67

工作温度:

-10 … +50 °C

正弦振动:

IEC 60068-2-6:2008

半正弦振动:

IEC 60068-2-27:2009

1 mm p-p (10 - 55 Hz),单轴5分钟

30 g / 11 ms,单轴单方向6次冲击单轴30分钟 (55 Hz)

三、相关图纸

产品图纸

Baumer OM70-L0140.HH0070.VI 激光测距传感器3D模型.png

Baumer OM70-L0140.HH0070.VI 高性能激光测距传感器尺寸图.jpg

3D模型

尺寸图

Baumer OM70-L0140.HH0070.VI 传感器接线图.jpg

Baumer OM70-L0140.HH0070.VI 激光测距传感器针角定义.jpg

接线图

针角定义

OM70-L0140.HH0070.VI 激光测距传感器典型光束特性.png

Baumer OM70-L0140.HH0070.VI 高性能激光测距传感器激光警告.jpg

典型光束特性激光警告

四、与 OM70-L0140.HH0070.VI 传感器类似的产品

以下为测量范围在 40 … 140 mm 最近距离处精度最高的光电测距传感器:

  • OM70-L0140.HH0070.EK

  • OM70-L0140.HH0070.VI

  • OM70-L0140.HH0100.EK

  • OM70-L0140.HH0100.VI

  • OM70-L0140.HH0130.EK

  • OM70-L0140.HH0130.VI

推荐产品

热门资讯

头条

3DMCV7 是MicroStrain 推出的一款具备战术级性能的惯性传感器

佛蒙特州威利斯顿,2022 年 5 月 27 日- 全球运动和控制技术领导者派克汉尼汾公司的派克洛德噪声、振动和声振粗糙度部门通过推出3DM CV7-AHRS 和3DM扩大了其 MicroStrain 传感产品组合CV7-AR 惯性传感器。3DM CV7传感器采用迄今为止最小、最轻的 OEM 封装,提供战术级惯性性能。3DM CV7 传感器专为大批量 OEM 机器人应用而设计,能够以令人难以置信的价值提供始终如一的准确结果。

2025-10-31
探索更多

Baumer OM70-L0140.HH0070.VI 高性能激光测距传感器

咨询或邀约我们

请在线留言

captcha
我已阅读并同意使用条款隐私保护政策
我已阅读并同意使用条款隐私保护政策