服务热线

400-869-8582

我们能帮您找点什么吗?

HBK 3DM-GV7-AHRS 战术级加固 IMU/AHRS传感器

美国 HBK(原Lord)MICROSTRAIN 3DM-GV7-AHRS 战术级加固型惯性测量单元和姿态航向参考系统传感器(IMU/AHRS),单独校准以获得最佳性能。3DM-GV7-AHRS 具有先进的扩展卡尔曼滤波器、尖端的定向算法、先进的时间管理和事件触发系统。

3DM-GV7-AHRS 采用微型加固封装,提供战术级惯性性能。3DM-GV7-AHRS 已准备好应对最恶劣的环境,采用精密加工的铝制外壳,并经过  IP68  等级测试。3DMGV7 推出了专为满足机器人和自动化行业苛刻的时序要求而设计的新功能集。提供  IMU/VRU(垂直参考单元)、IMU/AHRS(姿态和航向参考系统)和  INS(惯性导航系统)型号。

一、产品优点

产品优点

• 1.5°/h  陀螺仪偏置不稳定性。

• 低延迟。

• 卓越的抗振能力。

• 可调采样率高达 1KHz。

• 外部时钟同步。

• 自适应扩展卡尔曼滤波器。

• 自定义事件触发系统。

• 加固型  IP68  封装。

• 集成磁力计。

• 外部位置和速度输入。

• 通过  AUX  端口的行业标准  NMEA  输入。

• 防御就绪:接受加密的  GNSS  接收器。

• 过滤器主体框架约束。

二、产品特点

传感器操作封装

• 战术级陀螺仪(1.5°/小时偏差不稳定性)。

• 在整个温度范围内经过全面校准。

• 横滚/俯仰精度:

         • 静态:0.25°;

         • 动态:0.5°。

• 用于绝对航向跟踪的集成磁力计。

• 用于姿态估计的板载扩展卡尔曼滤波器。

• 用户可选择的加速度计和陀螺仪范围。

• 可调采样率高达 1 KHz。

• 工厂支持的 ROS1 和 ROS2 驱动程序。

• 用于配置、控制、显示和记录的SensorConnect软件。

• MSCL开源 API,易于集成。

• 加固型 IP68 封装。

• 精密加工的阳极氧化铝外壳。

• 精密对准功能。

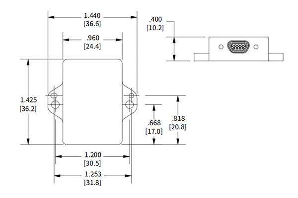
• 紧凑、薄型:

         • 36.2 毫米 x 36.6 毫米 x 10.2 毫米;

         • 17.7克。

• –40 至 +85°C 工作温度范围。

三、应用领域

农业移动机器人天线和摄像头指向

• 紧凑、最先进的惯性传感器,采用经过验证的第五代高性能

工业级固态 MEMS 加速度计和陀螺仪惯性传感器技术。

• 低成本、紧凑的尺寸和所有轴的 360 度完整测量范围。

• 在 -40°C 至 85° 的整个工作温度范围内保持高精度。

• 自适应扩展卡尔曼滤波器可实现最佳动态精度和车载性能。

• 低噪声、线性且稳定的 MEMS 陀螺仪和加速计可在转弯和颠簸期间实现

卓越的航向精度。

• 自适应卡尔曼滤波器算法提供卓越的动态性能。

• 自动自校准和自动异常拒绝使带有磁力计的装置可靠且准确的航向参考。

• 完全校准和温度补偿的 IMU 在苛刻的环境中提供稳定的性能。

• 低噪声、低延迟、线性 MEMS 陀螺仪和加速度计可实现准确、稳定

的姿态跟踪。

• 坚固的机加工铝工业包装可在高振动和冲击环境中提供可靠的性能。

• 适用于嵌入式应用的紧凑型 OEM 版本可降低成本而不损失精度。

四、技术规格

系统性能
AHRS精确度INS 精确度 [4]
滚动、俯仰(静态):0.25°位置:外部 GNSS
滚转、俯仰(动态) [1]:0.5°速度:外部 GNSS
航向(静态,仅 AHRS) [2]:0.5°

滚动、俯仰:

TBD
航向(动态,仅 AHRS) [1,2]:航向:TBD 或外部 GNSS
IMU
加速度计陀螺仪磁力计气压计
范围:± 4g, 8g, 16g

± 250 °/s, 500 °/s, 1000 °/s

±8 Gauss260 to 1260 mbar
随机漫步:31 µg/√Hz

0.2 °/√h

----
偏差不稳定性:20 µg1.5 °/h ----
噪音密度:31 µg/√Hz12 °/h/√Hz ----
开启至开启偏置  [3]:51 µg 0.0054 °/s ----
随温度变化的偏置误差:

0.90 mg

0.066 °/s

----
比例因子随温度变化的误差:

318 PPM 

1000 PPM
----
接口
连接器:Micro D9 标准通信接口:RS-232, USB
输出数据速率(IMU 和 EKF):1 to 1000 HzI/O:2x GPIO
GPIO 功能:事件触发、PPS 输入/输出协议:MIP、NMEA
辅助传感器:外部航向、位置 [4]、速度 [4]
物理和电气
重量:17.7 克尺寸:36.2 mm x 36.6 mm x 10.2 mm
工作电压:4.6 to 36 VDC功耗:320 mW (Typical), 380 mW (Max)
GPIO 电压:3V(5V 容差)工作温度:-40°C to 85°C
侵入防护:IP68 [5]MTBF:2,058,917 小时(Telecordia 方法,GM/35C)
产品型号
名称部件号说明
3DM-GV7-INS6290-9920惯性导航系统
3DM-GV7-AHRS6288-9920姿态和磁力计辅助航向
3DM-GV7-AR6289-9920姿态和相对定向
[1] 汽车条件,取决于车辆动力学

[2] 磁航向,带有效偏角、磁环境和硬/软铁校准

[3] 偏差重复性,<24 小时

[4] 仅 INS 型号

[5] 使用可用的 IP 级电缆

五、产品展示

产品展示

HBK 3DM-GV7-AHRS 战术级加固 IMUAHRS产品安装图1.jpg

HBK 3DM-GV7-AHRS 战术级加固 IMUAHRS尺寸图1.png

3DM-GV7-AHRS产品图
3DM-GV7-AHRS尺寸图

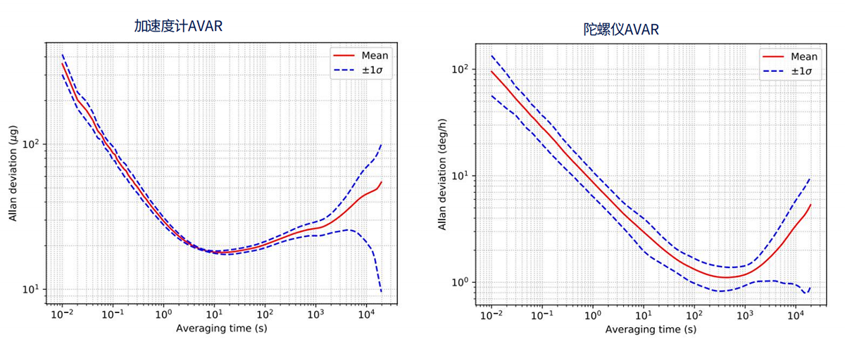
HBK 3DM-GV7-AHRS系列艾伦方差(AVAR)1.png

HBK 3DM-GV7-AHRS系列艾伦方差(AVAR)

推荐产品

热门资讯

头条

3DMCV7 是MicroStrain 推出的一款具备战术级性能的惯性传感器

佛蒙特州威利斯顿,2022 年 5 月 27 日- 全球运动和控制技术领导者派克汉尼汾公司的派克洛德噪声、振动和声振粗糙度部门通过推出3DM CV7-AHRS 和3DM扩大了其 MicroStrain 传感产品组合CV7-AR 惯性传感器。3DM CV7传感器采用迄今为止最小、最轻的 OEM 封装,提供战术级惯性性能。3DM CV7 传感器专为大批量 OEM 机器人应用而设计,能够以令人难以置信的价值提供始终如一的准确结果。

2025-10-31
探索更多

HBK 3DM-GV7-AHRS 战术级加固 IMU/AHRS传感器

咨询或邀约我们

请在线留言

captcha
我已阅读并同意使用条款隐私保护政策
我已阅读并同意使用条款隐私保护政策