服务热线

400-869-8582

我们能帮您找点什么吗?

BeanAir BeanDevice® WIFI | Wilow® AX-3DS 无线物联网加速度传感器

德国 BeanAir BeanDevice® WIFI | Wilow® AX-3DS 是一款无线物联网加速度传感器/震动传感器|冲击和冲击监测。BeanDevice® WiLow® AX-3DS 是一款 ULP(超低功耗)WIFI 加速计,专用于震动检测,具有内置数据记录器和可扩展的测量范围 (±2/4/8/16g)。得益于WIFI技术,该无线物联网传感器可以用于动态测量,而不会出现网络瓶颈问题。

BeanAir BeanDevice® WIFI | Wilow® AX-3DS传感器特点是防水(IP67/Nema 6)和轻质铝制外壳(65x59x35mm,220g),超低功耗模式(节电模式下为0.2mA),内置数据记录器可记录500万条数据,这款出色的 ULP WIFI 加速计配有微型天线罩全向天线,最大无线范围可达 200 米 (LOS),专用于结构健康监测、状态监测和多种工业监测应用。

虽然大多数无线物联网传感器不适合恶劣的工业环境,但BeanDevice® WiLow® AX-3DS无线震动传感器集成了创新的天线分集设计,可提高遭受随机和多样化干扰的环境中的无线电链路质量,可以通过添加第三方 WIFI 中继器来扩展无线范围。

一、BeanDevice® WIFI  Wilow® AX-3DS 无线物联网加速度传感器的主要特点

主要特点

• IOT Ready:集成开源物联网协议MQTT 数据交换。

• 可扩展的冲击测量范围:±2/4/8/16g。

• SSD(智能震动检测)允许在震动检测时触发数据采集。

• ULP(超低功耗)Wifi 技术。

• 防水(IP67|NEMA 6) 和坚固的铝制外壳。

• 智能灵活的电源:内置可充电锂电池(780 mAh)USB 5VDC 电源

和可选的辅助电源 6-24VDC 兼容太阳能采集。

• 嵌入式数据记录器:多达 500 万个数据点(具有事件约会功能)。

• USB 2.0 链路用于设备配置(包括固件升级)。

• 依靠 Beanair® 设计的无线电天线分集实现出色的无线电链路。

• 虚拟测斜仪。

• 通过WIFI 进行无线固件升级。

• 存储转发+:无损数据传输。

二、BeanDevice® WIFI  Wilow® AX-3DS 无线物联网加速度传感器的运行方式

Wilow ®传感器可以轻松地与第三方WIFI 接入点配合使用。只需将您的 PC/笔记本电脑和 Beandevice Wilow® 连接到WIFI 接入点,然后开始在您自己的 IOT 软件(借助MQTT )或我们的监控软件(BeanScape® Wilow® )上接收实时数据流。

BeanAir BeanDevice® WIFI  Wilow® AX-3DS 无线物联网加速度传感器运行方式.png

默认情况下,我们的Wilow®传感器配有免费版本的监控软件(BeanScape®Wilow®Lite ),用户可以访问物联网传感器仪表板、可视化实时图形显示、配置MQTT框架和备份数据测量在日志文件上。

三、具有强大功能的紧凑型无线物联网传感器

得益于采用 SSD(智能震动检测)技术的板载震动传感器,可以在震动阈值上触发数据采集和设备唤醒。智能能源管理(USB 和能量收集)允许通过内部锂聚合物充电电池、USB 移动电源或太阳能电池板为 BeanDevice® Wilow® 供电。Store and Forward+是一种无损数据传输机制,可在数据传输至关重要的工业应用中大规模部署WiLow®传感器。

Beandevice® WiLow® AX-3DS已为 IIOT(工业物联网)应用做好准备,集成了 MQTT(消息队列遥测传输)数据框架,这是一种轻量级开源物联网协议。

默认情况下,我们的Wilow®传感器配有免费版本的监控软件(BeanScape®Wilow®Lite ),用户可以访问物联网传感器仪表板、可视化实时图形显示、配置MQTT框架和备份数据测量在日志文件上。

BeanAir BeanDevice® WIFI Wilow® AX-3DS 无线物联网加速度传感器的功能.jpg

四、BeanDevice® WIFI  Wilow® AX-3DS 无线物联网加速度传感器的应用领域

应用领域

• 状态监测

• 地面振动监测

• 测试与测量• 结构健康监测

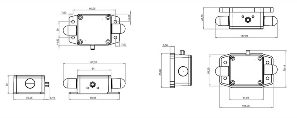
五、BeanDevice® WIFI  Wilow® AX-3DS 无线物联网加速度传感器的尺寸图和远程访问

尺寸图和远程访问

BeanAir BeanDevice® WIFI  Wilow® AX-3DS无线物联网加速度传感器尺寸图.jpg

BeanAir BeanDevice® WIFI  Wilow® AX-3DS无线物联网加速度传感器尺寸图
BeanAir BeanDevice® WIFI Wilow® AX-3DS 无线物联网加速度传感器远程访问.jpg
BeanAir BeanDevice® WIFI  Wilow® AX-3DS 无线物联网加速度传感器远程访问

推荐产品

热门资讯

头条

3DMCV7 是MicroStrain 推出的一款具备战术级性能的惯性传感器

佛蒙特州威利斯顿,2022 年 5 月 27 日- 全球运动和控制技术领导者派克汉尼汾公司的派克洛德噪声、振动和声振粗糙度部门通过推出3DM CV7-AHRS 和3DM扩大了其 MicroStrain 传感产品组合CV7-AR 惯性传感器。3DM CV7传感器采用迄今为止最小、最轻的 OEM 封装,提供战术级惯性性能。3DM CV7 传感器专为大批量 OEM 机器人应用而设计,能够以令人难以置信的价值提供始终如一的准确结果。

2025-10-31
探索更多

BeanAir BeanDevice® WIFI | Wilow® AX-3DS 无线物联网加速度传感器

咨询或邀约我们

请在线留言

captcha
我已阅读并同意使用条款隐私保护政策
我已阅读并同意使用条款隐私保护政策