服务热线

400-869-8582

我们能帮您找点什么吗?

Gigahertz-Optik PLL-1701 高速双输入验光仪

德国 Gigahertz-Optik PLL-1701 是一款高速双输入验光仪,用于测量 CW、调制辐射和 W 光纤。

一、PLL-1701 高速双输入验光仪的特点

  • 带电气输入的验光计 (BNC)。

  • 和带有小积分球的光输入,用于光纤的 W 测量。

  • 对数和线性放大器。

  • USB和RS422接口。

二、PLL-1701 高速双输入验光仪介绍

      1、高速跨阻放大器和数字数据采样器

      PLL-1701 验光计设计用于具有两种不同放大器模式(线性或对数)的两种不同类型的快速光学测量。

      该设备包含一个小型积分球和检测器,用于测量 400 nm 至 1550 nm 波长范围内光纤(FC 连接器)的光功率(以 W 为单位)。测量结果可以直接作为模拟电压 (BNC) 输出,也可以通过 USB 或 RS422 接口作为数字数据输出。到 BNC 的纯模拟测量转换(互阻抗)的速度为 200000 个样本/秒,适合非常快速的测量目的。数字测量仅受 USB 和 RS422 (100kHz) 传输速度的限制。可以使用外部检测器与提供的 BNC 电流输入来代替积分球测量。

      设备本身可以通过两个远程接口进行配置。

 

      2、闪烁测量

      与VL-3701-1等外部光度检测器结合使用时,快速采样率可以对照明产品进行闪烁评估。标准闪烁指标 P st、SVM、M p、闪烁频率、闪烁指数和闪烁百分比均在可用软件中实现。

 

      3、16 µs 或 500 µs 上升时间线性放大器 

      PLL-1701 线性信号放大器为所有增益范围提供 16 µs 或 500 µs 的固定上升时间,可通过远程命令设置。电流电压放大器的总增益范围分为九个范围,以实现最佳的信噪比。

 

      4、对数放大器 

      PLL-1701 还提供一个对数放大器,可通过一个放大器增益范围覆盖整个动态范围。因此不需要增益切换,否则会花费一些时间并从而限制一些高速应用。

 

      5、AA、ADC 和 DAC 模式

      除了验光计的传统测量功能(AA - 模拟到模拟(互阻抗)和 ADC - 模拟到数字转换器)之外,PLL-1701 还集成了一个数模转换器,能够将 16 位数字数据传输到模拟电输出(BNC);信号发生器功能(-5V 至 +5V)。

 

      6、软件

      PLL-1701 附带基于 Windows 的软件,该软件提供了通过 USB 和 RS422 进行远程控制测量和分析的所有常用功能。可选地,S-SDK-PLL1701 可用于通过用户自己的软件来实现仪表。

三、PLL-1701 高速双输入验光仪的技术规格

(1)常规
简短的介绍:

高速跨阻放大器、数字数据采样器和函数发生器,适用于多种应用,并配有用于光纤辐射功率 (W) 测量的积分球。 PLL-1701 凭借两个集成放大器而脱颖而出,其中一个是具有九个增益范围的线性放大器,另一个是具有一个高动态范围

且无需范围切换的对数放大器。

主要特点:用于快速测量光纤的光学 FC 输入、用于外部探测器头的 BNC 电流输入、线性和对数电流放大器测量范围:线性和对数放大器,使用在 400 nm 至 1550 nm 范围内校准的积分球进行辐射功率测量 (W)
典型应用:

光纤快速测量、探测器头快速测量、AA、ADC 和 DAC 测量、闪烁测量

校准:工厂校准。可追溯至国际校准标准
(2)产品
输入接口:

BNC 连接器(电气)

输出接口:BNC 连接器,输出电压:± 5V
FC 连接器(光纤)USB
模数转换器:16位数模转换器:16位
函数发生器:

PLL-1701 能够在 BNC 输出(函数发生器)上提供电信号:

最大值 -5 V 至 +5 V 10000 个值,时钟速度 3 µs – 900 µs
测量范围

线性放大器:

最大范围上升时间(10 - 90)%上升时间延长(10 – 90)%
± 1.17 mA16 µs500 µs
± 545 µA16 µs500 µs
± 254 µA 16 µs500 µs
±117 µA  16 µs500 µs
± 54 µA 16 µs500 µs
± 25.4 µA 16 µs500 µs
± 11.7 µA 16 µs500 µs
± 5.45 µA  16 µs500 µs
± 2.54 µA 16 µs500 µs
对数放大器:

最大电流:+1 mA(模拟输出电压:+4.8 V);

最小电流:+100 pA(模拟输出电压:-1.8 V);

(截止频率取决于电流,例如:10nA≅20kHz,1nA≅5Khz)。
(3)图表
光谱响应度光谱响应度1.jpg
(4)校准不确定度
λu(k=2)
(400 - 800) nm:± 5 %
(810 - 900) nm:± 6 %
(910 - 1070) nm± 6.5 %
(1080 - 1100) nm± 7 %
(1110 - 1550) nm:± 7.5 %
光谱辐射强度响应度 (400 - 1550) nm
(5)其它
电源:

(9-24) 直流;12V 时 200mA

采样率:100.000 SPS(采样/秒),连续数据传输
接口:USB V2.0(全速,HID 设备)扳机:外部信号:低电平有效,触发电平约1V

RS422(基于LVDS)

延迟:上升时间 (16μs) + 数字化 (15μs),可预触发
限制:RS422 只能连接一台设备内部数字触发:延迟2μs±200ns
最大接口传输速度:100kHz重量:550克
温度范围:操作温度:(10 至 30)°C尺寸:173.3 毫米 x 36.2 毫米 x 124.4 毫米
储存温度:(-10 至 50)℃湿度:<80%,非冷凝
信息:建议定期重新校准当前校准。特别是当必须测量非常小的测量电流时。在湿度非常高的情况下,辐射计在低测量电流下可能会出现故障电流,应予以考虑。相对于校准温度的温差会增加测量不确定度。

四、PLL-1701 高速双输入验光仪产品图

产品图

Gigahertz-Optik PLL-1701 高速双输入验光仪.jpg

PLL-1701验光仪示意图1.jpg

PLL-1701 验光仪

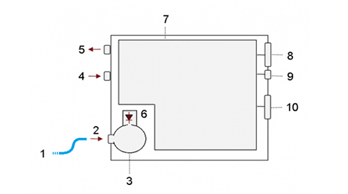
PLL-1701 示意图:1. 光纤(用户),2. FC 连接器,3. 积分球,4. 电流输入(外部检测器),

5. 电压输出,6. 光电二极管,7. 电子板,8. 电源,9. USB,10. I/O 接口

PLL-1701 高速双输入验光仪.jpg

PLL-1701验光仪.jpg
PLL-1701 验光仪正视图PLL-1701 验光仪后视图

五、可与PLL-1701 高速双输入验光仪配置的仪器设备

  • S-SDK-PLL1701:用于 PLL-1701 器件的软件开发套件,用于在自己的软件中进行器件控制和实施。

  • VL-3701:用于测量明视照度的探测器头(以 Lux [lx] 为单位)。

  • S-PLL1701:适用于 PLL-1701 及其变体的应用软件。

六、更多与PLL-1701 高速双输入验光仪类似的产品

  • P-21:多用途触摸屏验光仪,用于测量任何光度和辐射应用中的 CW、单脉冲和调制辐射。

  • TR-9600:高速、短上升时间数据记录仪光学计(瞬态记录仪电流放大器)。

推荐产品

热门资讯

头条

3DMCV7 是MicroStrain 推出的一款具备战术级性能的惯性传感器

佛蒙特州威利斯顿,2022 年 5 月 27 日- 全球运动和控制技术领导者派克汉尼汾公司的派克洛德噪声、振动和声振粗糙度部门通过推出3DM CV7-AHRS 和3DM扩大了其 MicroStrain 传感产品组合CV7-AR 惯性传感器。3DM CV7传感器采用迄今为止最小、最轻的 OEM 封装,提供战术级惯性性能。3DM CV7 传感器专为大批量 OEM 机器人应用而设计,能够以令人难以置信的价值提供始终如一的准确结果。

2025-10-31
探索更多

Gigahertz-Optik PLL-1701 高速双输入验光仪

咨询或邀约我们

请在线留言

captcha
我已阅读并同意使用条款隐私保护政策
我已阅读并同意使用条款隐私保护政策