服务热线

400-869-8582

我们能帮您找点什么吗?

Gigahertz-Optik ISD-50HF-BTS256-LED 测量球体内4π灯具光通量系统

德国 Gigahertz-Optik ISD-50HF-BTS256-LED 是一款用于测量球体内 4π(可选 2π 和 4π)灯具光通量的系统。

一、ISD-50HF-BTS256-LED 光通量测量系统的特点

  • 积分球具有50cm半球形外壳。

  • 用于开闭和辅助灯。

  • 采用双技术传感器的照度计。

  • 可精确测量光通量、光谱辐射功率、CCT、CRI、色度坐标等。

二、ISD-50HF-BTS256-LED 光通量测量系统介绍

     1、BTS256-LED 照度计

      在独立模式下,紧凑型BTS256-LED仪表专为方便测量单个 LED 的光通量、光谱、颜色和显色指数而设计。一个关键特征是内部积分球入口处的锥形测量端口,可以测量板载 LED。用于连接锥形适配器的卡口连接器可以将 BTS256-LED 与其他附件组件结合起来。 Gigahertz-Optik 提供不同的配件作为BTS256-LED Plus 概念的一部分,极大地扩展了 BTS256-LED 的测量能力。

 

      2、使用 ISD-50HF-V01 或 ISD-50HF-V02 积分球增强 BTS256-LED

      直径50厘米的ISD-50HF-V01积分球可以测量具有2pi和4pi辐射特性的超大LED灯的光通量、光谱、颜色和显色指数。球体的一半可以打开,以便将 LED 灯固定到球体中心的样品架上。样品架的高度可以调节。 

      ISD-50HF-V02 作为替代品提供,并具有额外的 2pi 测量端口,直径为 127 mm。当不使用时,它会保持关闭状态。

      两种型号都配备了辅助灯。 BTS256-LED 仍可用于测量单个板载 LED。卡口适配器可将设备连接到 ISD-50HF 积分球上。

 

      3、校准

      光度测量设备的一项基本质量特征是其精确且可追溯的校准。配备 BTS256-LED 的 ISD-50-HF 由 Gigahertz-Optik 的校准实验室进行校准,该实验室已根据 ISO/IEC 17025获得 DAkkS (DK-15047-01-00) 的光谱响应度和光谱辐照度认证。光通量是使用放置在球体中心的 BN-LHSF-104 进行的。具有附加测量端口的球体需要使用BN-LHSF-2P-20校准灯进行额外校准,该灯在积分球中具有 2pi 辐射特性。每个设备都带有各自的校准证书。

三、ISD-50HF-BTS256-LED 光通量测量系统的技术规格

(1)常规
简短的介绍:

ISD-50HF-V01-BTS256-LED:

光谱辐射计,用于测量光通量、光谱、颜色和显色指数。 LED 灯位于球体中心的操作。
ISD-50HF-V02-BTS256-LED:光谱辐射计,用于测量光通量、光谱、颜色和显色指数。 LED 灯位于球体中心或球体外部的操作
主要特点:ISD-50HF-V01-BTS256-LED:直径为 50 厘米的积分球。高度可调的样品架。无需积分球即可使用光谱辐射计测量单个 LED。
ISD-50HF-V02-BTS256-LED:直径 50 厘米的积分球。一个可打开的半球。附加测量端口直径为 127 毫米。高度可调的样品架。无需积分球即可使用光谱辐射计测量单个 LED。
测量范围:1.2 lm 至 120,000 lm,360 nm 至 830 nm典型应用:来料检验(LED 灯)、生产过程中的质量保证、设计
校准:工厂校准。可追溯至国际标准。
(2)产品
校准不确定度:

光通量校准±5%

一般的:该设备基于BTS256-LED,请在那里找到详细规格。
输入光学器件 - ISD-50HF-V01:带有硫酸钡涂层的积分球。内径500毫米。一个可打开的半球。 UMSH-AP-500 高度可调样品架。探测器和球体中心之间的挡板以及范围达 100 mm 的灯探测器。 12V/50W 卤素辅助灯。桌架。
输入光学器件 - ISD-50HF-V02:

带有硫酸钡涂层的积分球。内径500毫米。一个可打开的半球。固定半球上有一个直径为 127mm 的附加测量端口。用于封闭测量端口的端口塞。 UMSH-AP-500 高度可调样品架。

探测器与球体中心以及探测器与测量端口之间的双向挡板。球体计的阴影范围可达 100 毫米。 12V/50W 卤素辅助灯。桌架。

(3)光谱探测器
典型测量时间:

BTS256-LED:

最大值 1000 lm ≤ 5 ms(白光)
BTS256-LED:最小值10 mlm ≤ 30 s(白光)
BTS256-LED with ISD-50HF-V01:最大值 120000 lm ≤ 5 ms(白光)
BTS256-LED with ISD-50HF-V01:最小值1.2 lm ≤ 30 s(白光)
(4)一体式探测器
最大光通量:

BTS256-LED :

典型值70000 lm
BTS256-LED with ISD-50 :典型值8000 klm
噪声等效光通量:BTS256-LED 测试仪(典型值):0.05 mlm
BTS256-LED Tester with ISD-50-V01 :典型值10 mlm

四、ISD-50HF-BTS256-LED 光通量测量系统产品图

产品图

Gigahertz-Optik ISD-50HF-BTS256-LED 测量球体内 4π 灯具光通量系统1.jpg

Gigahertz-Optik ISD-50HF-BTS256-LED 测量球体内4π灯具光通量结构图1.png

BTS256-LED 光谱辐射计配有 ISD-50HF-V01 积分球,适用于球内 2pi 和 4pi LED 灯, ISD-50HF-V02 带有附加测量端口和端口插头

1) BTS256-LED 2) 50mm 积分球 3) 精密卡口安装 4) 带 Si 光电二极管、CMOS 二极管阵列光谱仪和快门的 BiTec 传感器 

5) 微处理器 6) USB 接口 7) ISD-21 积分球 8) 卡口安装 9) 挡板10) 辅助灯 11) 测量端口

BTS256-LED测量单个LED的光通量、光谱、颜色和显色指数.jpg

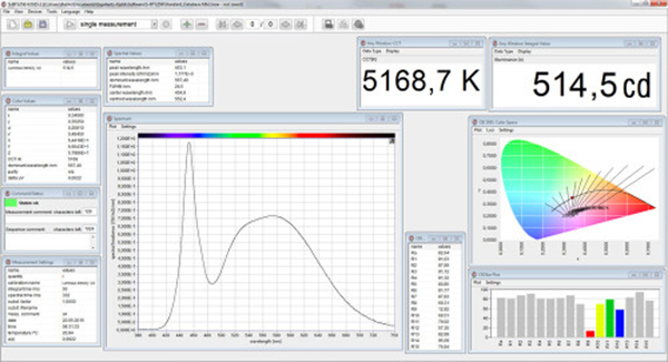
S-BTS256 用户软件用于测量带有集成球体和外球体的光通量1.jpg

BTS256-LED用于测量单个LED的光通量、光谱、颜色和显色指数S-BTS256 用户软件用于测量带有集成球体和外球体的光通量

五、可与ISD-50HF-BTS256-LED 光通量测量系统配置的仪器软件

  • UMLA-SHAP-E27:与积分球一起使用的灯泡测量插座。特点:E27插座。将灯连接到电隔离电源和电压测量的四极杆。

  • UMLA-SHAP-E14:与积分球一起使用的灯泡测量插座。特点:E14插座。将灯连接到电隔离电源和电压测量的四极杆。

  • UMLA-SHAP-G9:与积分球一起使用的灯泡测量插座。特点:G9插座。四线连接的灯座用于单独供电和电压测量。

  • UMLA-SHAP-GU10:与积分球一起使用的灯泡测量插座。特点:GU10插座。四线连接的灯座用于单独供电和电压测量。

  • UMLA-SHAP-GU5.3:与积分球一起使用的灯泡测量插座。特点:GU5.3插座。四线连接的灯座用于单独供电和电压测量。

  • S-SDK-BTS256:BTS256 变体的软件开发套件。

六、更多与ISD-50HF-BTS256-LED 光通量测量系统类似的产品

  • ISD-100HF-BTS256-LED:2π 和 4π 光源光通量测量系统。

推荐产品

热门资讯

头条

3DMCV7 是MicroStrain 推出的一款具备战术级性能的惯性传感器

佛蒙特州威利斯顿,2022 年 5 月 27 日- 全球运动和控制技术领导者派克汉尼汾公司的派克洛德噪声、振动和声振粗糙度部门通过推出3DM CV7-AHRS 和3DM扩大了其 MicroStrain 传感产品组合CV7-AR 惯性传感器。3DM CV7传感器采用迄今为止最小、最轻的 OEM 封装,提供战术级惯性性能。3DM CV7 传感器专为大批量 OEM 机器人应用而设计,能够以令人难以置信的价值提供始终如一的准确结果。

2025-10-31
探索更多

Gigahertz-Optik ISD-50HF-BTS256-LED 测量球体内4π灯具光通量系统

咨询或邀约我们

请在线留言

captcha
我已阅读并同意使用条款隐私保护政策
我已阅读并同意使用条款隐私保护政策