服务热线

400-869-8582

我们能帮您找点什么吗?

Gigahertz-Optik BTS256-LED-DA 紧凑型 Bi-Tec 测量装置

德国 Gigahertz-Optik BTS256-LED-DA 紧凑型 Bi-Tec 测量装置,用于测量照度和光通量。

一、BTS256-LED-DA Bi-Tec 测量装置的特点

  • 适用于 BTS256-LED 的带有扩散器的 Bajonett 适配器。

  • +/- 30° 余弦校正视场。

  • 光谱辐射功率、色温、CRI、色度坐标等。

二、BTS256-LED-DA Bi-Tec 测量装置介绍

     1、BTS256-LED 照度计

      紧凑型BTS256-LED仪表设计用于测量 LED 的光通量、光谱、颜色和显色指数。其主要特点之一是积分球入口处的锥形测量端口,用于测量单个板载 LED。锥形适配器使用卡口连接器连接,这样就可以将 BTS256-LED 与其他入口光学选项一起使用。 Gigahertz-Optik 还提供不同的配件作为BTS256-LED Plus 概念的一部分,通过这些配件可以增强 BTS256-LED 的功能。

 

      2、使用扩散器窗口增强 BTS256-LED

      在 BTS256-LED 上添加 BTS256-LED-DA 扩散器窗口使得可以使用该设备进行照度测量。它提供了 +/- 30度视场所需的余弦校正,因此仅建议用于定向灯的测量。扩展照明系统和路灯的照度测量应使用 Gigahertz-Optik 的MSC15和BTS256-EF进行。

      当BTS256-LED与GB-GD-360-R40-2测角仪组合测量发光强度辐射分布时,还需要BTS256-LED-DA扩散窗。

 

      3、校准

      光度测量设备的一项基本质量特征是其精确且可追溯的校准。带有 BTS256-LED 的 BTS256-LED-DA 由 Gigahertz-Optik 的校准实验室进行校准,该实验室根据 ISO/IEC 17025 获得 DAkkS (DK-15047-01-00) 的光谱响应度和光谱辐照度认证。校准还包括相应的附件组件。每台设备均附有各自的校准证书。

三、BTS256-LED-DA Bi-Tec 测量装置的技术规格

(1)常规
简短的介绍:

增强功能以实现照度测量

校准:工厂校准,可追溯至国际校准标准
主要特点:

带有卡口连接器的余弦扩散器,可与 BTS256-LED 光谱辐射计配合使用

测量范围:40 lx 至 400000 lx(光谱)、0.2 lx 至 250000 lx(积分)、360 nm 至 830 nm
典型应用:增强了 BTS256-LED 功能,可测量聚光灯的照度以及与 GB-GD-360-R40-2 测角仪配合使用。
(2)产品
输入光学器件:

带扩散器窗口的卡口适配器。扩散器窗口直径 20 毫米。 ± 30° 余弦校正视场。指定范围内的 5% 余弦校正。

一般的:该设备基于BTS256-LED,请在那里找到详细规格。
校准不确定度:照度±2.2%,光谱辐照度
λu(k=2)
(360 – 399) nm6,0 %
(400 – 830) nm4,0 %
(3)光谱探测器
最大照度:400,000 lx最小照度:40 lx
(4)一体式探测器
最大照度:

250000 lx

噪声等效照度:0.2 lx

四、BTS256-LED-DA Bi-Tec 测量装置产品图

产品图

Gigahertz-Optik BTS256-LED-DA 紧凑型Bi-Tec测量装置1.jpg

BTS256-LED 带有 BTS256-LED-DA 扩散器窗口1.jpg

BTS256-LED 与 BTS256-LED-DA 扩散窗用于照度测量

BTS256-LED 带有 BTS256-LED-DA 扩散器窗口,用于使用 GB-GD-360-R40-2 测角仪测量发光强度辐射分布

BTS256-LED 带有 BTS256-LED-DA 扩散器窗口结构图1.png

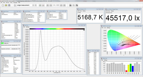
具有模块化桌面设置的 S-BTS256 用户软件.jpg

1) BTS256-LED & BTS256.LED-DA 2) 积分球 3) 带扩散窗的精密卡口安装 

4) 带 Si 光电二极管、CMOS 二极管阵列光谱仪和快门的 BiTec 传感器 5) 微处理器

 6) USB 2.0 接口 7) 光入射 8 ) 带精密卡口安装的锥形测量端口

具有模块化桌面设置的 S-BTS256 用户软件

五、可与BTS256-LED-DA Bi-Tec 测量装置配置的仪器设备

  • GB-GD-360-RB40:用于测量 2π 源的测角仪。

  • S-SDK-BTS256:BTS256 变体的软件开发套件。

六、更多与BTS256-LED-DA Bi-Tec 测量装置类似的产品

  • BTS256-EF:高精度闪烁计和通用照明光谱照度计。

  • MSC15:适用于传统照明和 LED 照明的紧凑型手持式光谱照度计。

  • BTS256-LED Tester:紧凑型 BiTec 光谱辐射计 LED 测试仪,用于测量单个 VIS 和 NIR LED 的总光通量。

  • CSS-45:适用于传统照明和 LED 照明的紧凑且经济高效的光谱光探测器。

推荐产品

热门资讯

头条

3DMCV7 是MicroStrain 推出的一款具备战术级性能的惯性传感器

佛蒙特州威利斯顿,2022 年 5 月 27 日- 全球运动和控制技术领导者派克汉尼汾公司的派克洛德噪声、振动和声振粗糙度部门通过推出3DM CV7-AHRS 和3DM扩大了其 MicroStrain 传感产品组合CV7-AR 惯性传感器。3DM CV7传感器采用迄今为止最小、最轻的 OEM 封装,提供战术级惯性性能。3DM CV7 传感器专为大批量 OEM 机器人应用而设计,能够以令人难以置信的价值提供始终如一的准确结果。

2025-10-31
探索更多

Gigahertz-Optik BTS256-LED-DA 紧凑型 Bi-Tec 测量装置

咨询或邀约我们

请在线留言

captcha
我已阅读并同意使用条款隐私保护政策
我已阅读并同意使用条款隐私保护政策