服务热线

400-869-8582

我们能帮您找点什么吗?

Gigahertz-Optik BTS256-HI 高品质照度计

德国 Gigahertz-Optik BTS256-HI是一款紧凑型 Bi-Tec 测量设备,用于测量牙科聚合灯和冷光源。

一、BTS256-HI 高品质照度计的特点

  • 测量窗口带有积分球。

  • 光谱辐射功率。

  • 色温、CRI、色品坐标等。

二、BTS256-HI 高品质照度计介绍

BTS256-HI 是一款高品质照度计,用于测量牙科聚合灯和冷光源。

 

      1、BiTec 光传感器用于复杂的光测量 

      移动测光表的特征之一是其 BiTec 光传感器。它结合了硅光电二极管的特性和低噪声 CMOS 二极管阵列的特性。 BiTec 传感器通过两个传感器测量信号的相互校正,保证在大动态范围内精确的光度、光谱辐射和色度测量值。

 

      2、硅光电二极管探测器,快速且线性 

      考虑到动态范围、线性度和速度,硅光电二极管一直是并且仍然是终极辐射探测器。因此,BTS256-HI 的 BiTec 光传感器中集成了硅光电二极管。由于集成了二极管阵列的光谱测量数据,其与光度 V(λ) CIE 响应度的精确匹配也非常适合 LED。 

 

      3、用于光谱测量数据的二极管阵列检测器 

      BiTec 光传感器的低噪声 CMOS 二极管阵列提供发光光谱所需的精确测量数据。然后,该数据用于计算颜色值以及优化光度响应度。 

 

      4、优化的信噪比 

      二极管阵列探测器的噪声信号对信噪比有显着影响,从而影响测量信号的质量。 BiTec 光传感器中的远程控制快门可以在线补偿取决于温度和积分时间的暗信号。 

 

      5、集成积分球 

      BTS256-HI 的积分球可以测量 2Pi 光源的辐射通量。它们的导光管直接放置在直径15cm的防护窗上进行测量。

 

      6、带保护窗的积分球 

      为了连续、长期使用,保护窗可保护积分球免受污染。如有必要,可以轻松更换带有卡口连接器的锥形适配器。 

 

      7、与电脑一起使用 

      BTS256-HI 具有 USB 2.0 接口,可将设备与 PC 配合使用。这可以实现数据交换和电池充电。 

 

      8、用户软件 

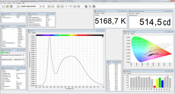
      设备价格中包含的 S-BTS256 软件提供了测量、测量数据显示和数据传输所需的所有功能。该软件先进、灵活的桌面概念为用户提供了所需测量值的单独组合。这可以是充满勒克斯测量值的全屏,也可以是包含数字和图形字段的矩阵。每个桌面星座都可以轻松保存以供将来使用。 

 

      9、多种光度和色度测量量 

      LED 的验证和测试需要大跨度的测量量。 BTS256-HI 提供十二个测量量,从而满足现代照度计的所有要求:

         • Φp 光通量(lm);

         • Φe 辐射功率(W);

         • Φλ 光谱辐射功率;

         • x, y CIE 1931 颜色坐标;

         • u', v' CIE 1976 颜色坐标;

         • CT色温;

         • 与黑体轨迹的 Δuv 偏差;

         • λdom 主波长;

         • λp 峰值强度波长;

         • λ0,5 光谱半宽度;

         • 纯度 颜色纯度;

         • CRI Ra 和 R1 至 R15 显色指数。

 

      10、软件开发工具包 

      Gigahertz-Optik 为程序员提供 S-SDK-BTS256 软件开发工具。它可以与 National Instruments 的 LabView、Microsoft 的 .NET 和 C/C++ 一起使用。 SDK 简化了 BTS256-LED 测试仪在内部开发的软件中的集成。 

 

      11、可追溯的校准 

      校准由 Gigahertz-Optik 的光度测量校准实验室进行。校准是使用可追溯到国家和国际标准的校准标准完成的。建议每 12 个月重新校准一次。

三、BTS256-HI 高品质照度计的技术规格

(1)常规
典型应用:

光通量、光谱辐射功率和发光颜色的照度计

校准不确定度:

光通量 ± 4 %

输入光学器件:入口窗后面带有合成 ODM98 涂层的积分球。 15 毫米直径测量端口。辐射功率 ± 5 %
传感器:具有光度宽带检测器和阵列光谱仪的双技术传感器。用于自动暗信号调整的集成光圈。
(2)光谱探测器
芯片:CMOS二极管阵列光谱范围:(360 - 830) nm
光带宽:5 nm数据分辨率:1 nm
积分时间:(5.2 - 30000) ms峰值波长:± 0.5 nm
快门:用于暗信号测量的自动光圈,其积分时间与光测量相同。光圈延迟=100ms。主波长:± 1 nm
色温测量范围:(1700 - 17000) KCRI(显色指数):Ra 和 R1 至 R15
重复性 Δx 和 Δy:± 0.0001(标准光源类型 A)Δy Δx 不确定度:± 0.002(标准光源类型 A)
±0.0002(LED)± 0.005(典型值 LED)
相关色温:± 50 K(标准光源类型 A)最小辐射功率:0.2 mW(典型白光 LED)
± 6 %(取决于 LED 光谱)0.05 mW(典型蓝色 LED)
最大辐射功率:50 W(典型白光 LED)杂散光:6E-4(蓝色LED)
6E-4(绿色LED)
16 W(典型蓝色 LED)6E-4(红色LED)
1E-3(白光LED)
(3)一体式探测器
筛选:

光谱响应度与精细的 CIE 光度匹配。通过光谱测量数据在线校正光度匹配(光谱失配因子校正)。

f1'(光谱不匹配):≤ 6 %(未校正)
≤ 3 % (f1' a*(s z ( λ )) 分别通过光谱数据校正 F*(s z ( λ )),由 BTS 技术自动完成)
模数转换器:12 Bit测量时间:(0.1 - 6000) ms
(4)其它
微处理器:

16 位、25 ns 指令周期时间

接口:

USB 2.0(B 型 USB 端口)

电源:5 VDC 至 7 VDC温度范围:

工作温度:10°C 至 30°C

辅助灯电容器充电期间峰值 250 mA储存温度:-10°C 至 50°C
重量:500克运输箱:塑料硬顶外壳
尺寸:160 mm x 85 mm x 60 mm(长×宽×高)333 mm x 280 mm x 70 mm
650 g

四、BTS256-HI 高品质照度计产品图

产品图

BTS256-HI全屏显示发光光谱1.png

具有模块化桌面设置的S-BTS256用户软件1.jpg

全屏显示发光光谱

具有模块化桌面设置的 S-BTS256 用户软件

BTS256-HI带有分级字段的 CIE 1976 色度表1.jpg

BTS256-HI CRI 条形图1.png

带有分级字段的 CIE 1976 色度表

CRI 条形图

五、可与BTS256-HI 高品质照度计配置的软件

  • S-BTS256:BTS256 变体的应用软件。

  • S-SDK-BTS256:BTS256 变体的软件开发套件。

推荐产品

热门资讯

头条

3DMCV7 是MicroStrain 推出的一款具备战术级性能的惯性传感器

佛蒙特州威利斯顿,2022 年 5 月 27 日- 全球运动和控制技术领导者派克汉尼汾公司的派克洛德噪声、振动和声振粗糙度部门通过推出3DM CV7-AHRS 和3DM扩大了其 MicroStrain 传感产品组合CV7-AR 惯性传感器。3DM CV7传感器采用迄今为止最小、最轻的 OEM 封装,提供战术级惯性性能。3DM CV7 传感器专为大批量 OEM 机器人应用而设计,能够以令人难以置信的价值提供始终如一的准确结果。

2025-10-31
探索更多

Gigahertz-Optik BTS256-HI 高品质照度计

咨询或邀约我们

请在线留言

captcha
我已阅读并同意使用条款隐私保护政策
我已阅读并同意使用条款隐私保护政策