服务热线

400-869-8582

我们能帮您找点什么吗?

Gigahertz-Optik BTS256-EF 高精度闪烁计和通用照明光谱照度计

德国 Gigahertz-Optik BTS256-EF 高精度闪烁计和通用照明光谱照度计。它具有 BTS256-EF 及 BTS256-EF WiFi  两个版本。

一、BTS256-EF 闪烁计和光谱照度计的特点

  • 带数据记录器的手持式便携式防溅通用照度计。

  • 光闪烁测量符合 CIE:TN-006、CIE:TN-012、IEC TR 61547、IEC TR 63158、Mp ASSIST、JA10、IES:RP-16-10、IEEE 1789-2015 等。

  • 更多的测量参数,如照度和光色:光谱辐照度、明视、暗视和黑视照度、光谱辐照度、PAR、CCT、CRI、颜色坐标、选项:WiFi 等。

  • BiTec传感器提供更高的测量精度和完美的 LED 测量性能,WiFi 可选。

  • 在比对活动中验证闪烁测量。

二、BTS256-EF 闪烁计和光谱照度计介绍

     1、从照度计到光谱照度计的发展

      传统的照度计越来越多地被MSC15等光谱照度计所取代。然而,照明行业还需要能够处理更复杂测量的高精度光谱光度计。其中包括脉宽调制光的测量以及测量内部和外部照明的能力、确定灯的热瞬态行为等。此类仪表必须始终满足的主要标准是其光度特性的质量。附加电子功能可能会提高可用性和显示质量,但无法弥补不合格的测量结果。

      一般照明用途的灯和灯具制造商在根据EMC 抗扰度要求鉴定产品安全性时必须考虑光闪烁。除了电源电压波动的影响外,还必须考虑灯和灯具本身引起的闪烁效应。欧盟委员会的生态设计法规现在要求 SVM 和 Pst 测量,甚至指定了它们的极限值。

      著名的测量设备制造商 Gigahertz Optik GmbH 推出了 BTS256-EF 通用测量设备,用于确定普通照明中所有相关的光参数。与可编程交流电源相结合,BTS256-EF 成为用于灯和灯具的综合闪烁测试系统,包括电压波动抗扰度测试 IEC TR 61547-1:2017。请参阅有关 TLA(时间光伪影)测量的技术文章。

 

      2、BTS256-EF – 高品质光谱光和颜色测量仪

      BTS256-EF 是一款高质量测量设备,用于普通照明产品和条件的光度和色度测量。

      *其独特功能之一是 Gigahertz-Optik 开发的创新 BiTec 传感器,该传感器由 V(lambda) 过滤硅光电二极管和光谱辐射计单元组成。这使得它非常线性、稳定和快速,因此保证了更高的测量精度,而且不会带来任何缺点。两个传感器都可以独立使用,并且传感器的相互校正有利于准确性、速度和多功能性。 

      因此,该仪表支持现代光谱光度计的所有要求,还可以实现高精度的 LED 测量: 

         • 余弦视场照度测量,用于准确评估扩展照明(B 级 DIN 5032 第 7 部分或 AA,根据 JIS C 1609-1:2006);

         • 闪烁测量;

         • LED光、颜色、显色性、色彩效果所需的光谱测量技术;

         • 用于同步脉宽调制光和闪烁测量的光电二极管;

         • α 光学照度和辐照度测量 (CIE S 026:2018);

         • 紧凑而坚固的设计,适合便携式手持使用。

 

      3、也适用于 LED 的高精度闪烁计

      在其作为光闪烁计的功能中,BTS256-EF 支持所有当前的闪烁测量值/数量:

         • 闪烁百分比(IEEE 标准 1789-2015、IES:RP-16-10、CIE:TN-006、CIE:TN-012);

         • 闪烁指数(IEEE 标准 1789-2015、IES:RP-16-10、CIE:TN-006、CIE:TN-012);

         • FFT 频率分量分析;

         • P st短期闪烁严重程度(CIE:TN-006、CIE:TN-012、IEC TR 61547);

         • 频闪可见度测量,SVM(CIE:TN-006、CIE:TN-012、IEC TR 63158);

         • M p ASSIST 闪烁感知指标;

         • 联合附录JA10。

      BTS256-EF 的独立配置中提供了被测量的闪烁百分比、闪烁指数和 FFT 频率分量分析。仅当通过随附的 S-BTS256 软件对 BTS256-EF 进行远程控制时,才能访问所有其他被测量。 BTS256-EF的Wi-Fi版本也是如此。但有一个限制:被测量 PstLM 和 SVM 需要非常高的数据吞吐量,只能通过 USB 电缆实现。当 BTS256-EF WiFi 通过 Wi-Fi 连接时,这些功能不可用。

      此外,  当与电源 LPS-CH-500 结合使用时,BTS256-EF 允许根据 IEC TR 61547 进行闪烁测试。这些测试旨在探测光源在干扰信号影响下在交流电路中运行时的闪烁稳定性。

 

      4、植物生长光合有效辐射 (PAR) 测定仪

      LED 植物生长灯需要根据其产生的光合有效辐射 (PAR) 进行测量。 BTS256-EF 支持该功能。可以测量光合光子通量密度 (PPFD),单位为 µmol/(m²*s),它是 PAR 波长范围内每秒每平方米面积到达表面的光子总数的度量。此外,还可以显示日光积分(DLI),它代表植物在一天中接收到的光合有效辐射总量。

 

      5、闪烁和通用照度计的校准

      光度测量设备的一项基本质量特征是其精确且可追溯的校准。 BTS256-EF 由Gigahertz-Optik 的 ISO 17025 高质量校准实验室进行校准,该实验室根据 ISO/IEC 17025 的光谱响应度和光谱辐照度获得 DAkkS (DK-15047-01-00) 认可。校准还包括相应的校准附件组件。每台设备均附有各自的校准证书。

 

      6、DALI 联盟测试 IEC 62386-209

      使 CCT 测量能够在符合 IEC 62386-209(色彩控制装置)的官方 DALI 联盟测试中完全自动化。

 

      7、光谱照度计 BTS256-EF 的更多选项

         • 软件开发套件,用于将设备集成到用户自己的软件中

         • 结合软件工具 ST-Flicker 和可编程交流电源 LPS-CH-500 Gigahertz-Optik GmbH 为符合 IEC TR 61547-1:2017 标准的测试系统提供 BTS256-EF 的功能扩展,用于一般照明用途的设备- EMC 抗扰度要求 - 第 1 部分:客观的光闪烁和波动抗扰度测试方法。

三、BTS256-EF 闪烁计和光谱照度计的技术规格

(1)常规
简短的介绍:

用于测量照度(明视、暗视、黑视)、PAR、光谱、光色、显色指数和闪烁的光谱辐射计

测量范围:1 lx to >199,000 lx,360 nm to 830 nm,闪烁频率在 0.25 Hz 至 200 kHz 之间
主要特点:

移动测量设备、带 V-lambda 光电二极管的 BiTec 传感器和具有 10 nm 光学带宽和附加光学带宽校正 (CIE214) 的低杂散光 CMOS 光谱仪、远程控制偏移快门、精确余弦校正视场、数据记录器、自动 PWM 同步、

颜色量(x、y、u´、v´、X、Y、Z、delta uv、色温、显色指数 (CRI) Ra、R1-R15、TM-30-20、CIE224、CQS 、CIE170、alpha-opic 等)、Pst 的闪烁测量、SVM、闪烁指数等。

典型应用:适用于照明行业的精密光谱光度计校准:工厂校准,可溯源至国际标准
(2)产品
传感器:B 级 DIN 5032 第 7 部分或 AA 符合 JIS C 1609-1:2006
A 级 DIN 5032 第 7 部分(适用于 f1' 和 f4),或一般精度等级符合 JIS C 1609-1:2006
L 级 DIN 5032 第 7 部分(适用于 U)响应、IR 响应、f3、f6 和 f7
传感器:具有光度宽带检测器和阵列光谱仪的双技术传感器。用于自动暗信号调整的集成光圈。
输入光学器件:

扩散窗直径20mm,余弦校正视场,f2误差≤3%

筛选:光谱响应度与精细的 CIE 光度匹配。通过光谱测量数据在线校正光度匹配(光谱失配因子校正)
闪烁:

被测量:闪烁百分比(IES:RP-16-10、CIE TN 006:2016、CIE TN 012:2021)、闪烁指数(IES:RP-16-10、CIE TN 006:2016、CIE TN 012:2021)、闪烁频率、快速傅里叶变换 (FFT)、P st  短期闪烁严重性 Pst (CIE TN 006:2016、

CIE TN 012:2021、IEC TR 61547:2020)、频闪效应能见度测量 SVM (CIE TN 006:2016、 CIE TN 012:2021、IEC TR 63158)、Mp ASSIST、联合附录 JA10。

BTS256-EF 的内部存储器有限,因此当用作手持式仪表(不带 PC)时只能访问以下频率范围:

测量时间(传感器)测量时间(闪烁)采样率上限截止频率较低的截止频率可接受信噪比的不确定性FFT频率分辨率
50 ms41.0 ms20 µs5 kHz60 Hz1%+-0.5 Hz25 Hz
100 ms81.9 ms40 µs5 kHz30 Hz1%+-0.5 Hz12.5 Hz
200 ms163.8 ms80 µs2.5 kHz15 Hz1%+-0.5 Hz6.3 Hz
500 ms327.7 ms160 µs1.2 kHz8 Hz1%+-0.5 Hz3.2 Hz
1000 ms655.4 ms320 µs0.6 kHz4 Hz1%+-0.5 Hz1.6 Hz
3000 ms2620 ms1280 µs150 Hz1 Hz1%+-0.1 Hz0.4 Hz
6000 ms5240 ms2560 µs75 Hz0.5 Hz1%+-0.05 Hz0.2 Hz
12000 ms10486 ms5120 µs33 Hz0.25 Hz1%+-0.02 Hz0.1 Hz
当 BTS256-EF 与 PC(通过 USB,不适用于 WiFi)和 S-BTS256 或 S-SDK-BTS256软件结合使用时,测量范围可扩展至以下范围:
测量时间(闪烁)采样率上限截止频率(3分贝)较低的截止频率可接受信噪比的不确定性FFT频率分辨率
min.1 ms1 ms (1kHz)-5 µs (200kHz)200 Hz-10 kHz2.5 kHz1% ± 0.5 Hz1 kHz
max.180 s (3 min)1 ms (1kHz)-10 µs (100kHz)200 Hz-10 kHz0.014 Hz1% ± 0.5 Hz0.005 Hz
滤波器传输放大器:

BTS256-EF闪烁测量1.png

3dB 范围 0 至 5 = 10 kHz,范围 6 至 8 = 200Hz(对于闪烁测量,仅建议使用 0 到 5 的范围)

(3)光谱探测器
芯片:CMOS 二极管阵列光谱范围:(360 - 830) nm
光带宽:10 nm,可自动应用根据 CIE 214 的数学光学带宽校正数据分辨率:1 nm
积分时间:(5.2 - 30000) ms快门:用于暗信号测量的自动光圈,其积分时间与光测量相同。光圈延迟 = 100ms。
典型测量时间:199,999 lx ≤ 5ms(白光)暗视:暗视测量范围光谱 (1 - 199,999) lx
100 lx ≤ 1s(白光)暗视照度校准不确定度 +/-2.2%
光谱颜色测量范围:(1 - 199,999) lx峰值波长:+/- 1nm
主波长:+/- 1nm色温测量范围:(1700 - 17000) K
重复性 Δx 和 Δy:+/- 0.0001(标准光源类型 A)Δy Δx 不确定度:+/- 0.002(标准光源类型 A)
+/- 0.0002(LED)+/- 0.005(典型值 LED)
相关色温:+/- 50K(A 类光源标准)杂散光:

6E-4(蓝色LED)

6E-4(绿色LED)
+/- 4%(取决于 LED 光谱)

6E-4(红色LED)

1E-3(白光LED)
CRI(显色指数)Ra 和 R1 至 R15(典型值,在 LED 峰值左侧 100 nm 处测量)
校准不确定度:光谱辐照度
λu(k=2)
(360 - 399) nm± 5,5 %
(400 - 479) nm± 4 %
(480 - 779) nm± 3,8 %
(780 - 830) nm± 4,3 %
光谱辐照度响应度 (360 - 830) nm
(4)一体式探测器
校准不确定度:

照度±2.2%

最大照度:≥199,999 lx(受温度限制)
f1'(光谱不匹配):≤6%(未校正)噪声等效照度:≤0.01lx
≤3% (f1' a*(s z ( λ )) 分别通过光谱数据校正 F*(s z ( λ )),由 BTS 技术自动完成)模数转换器:12Bit
测量时间:(0.1 - 6000) ms温度范围:二极管的测量值通过内部温度传感器进行校正
(5)其它
微处理器:

16Bit,25ns 指令周期

电源:每个 USB 5VDC、450mA
接口:USB 2.0(B 型 USB)温度范围:工作:+10°C 至 +30°C
选项 WiFi:WiFi 2.4 GHz(外部天线,范围 > 100m)储存:-10°C 至 +50°C
电池运行时间:1600 mAh 锂离子电池运输箱:333mm x 280mm x 70mm,650克
显示屏背光打开且连续测量 10 小时尺寸:159mm x 85mm x 45mm(长×宽×高)
背光关闭待机 48 小时重量:500克
(6)图表

f2(方向响应余弦误差)1.png

光谱响应度.jpg

f2(方向响应/余弦误差)光谱响应度

四、BTS256-EF 闪烁计和光谱照度计产品图

产品图

Gigahertz-Optik BTS256-EF 高精度闪烁计和通用照明光谱照度计1.jpg

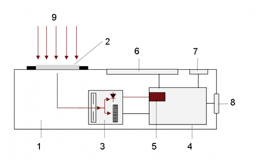
BTS256-EF 原理图.png

BTS256-EF 用于照明技术中的复杂测量,包括闪烁测量

BTS256-EF 原理图:1) BTS256-EF,2) 精密余弦扩散器,3) 带硅光电二极管的 BiTec 传感器、CMOS 二极管阵列光谱仪和快门,

4) 带快速放大器的光度硅光电二极管,5) 微处理器,6) 显示屏,7) 控制按钮,8) USB 2.0 接口,9) 光入射

BTS256-EF具有精确余弦视场功能的照度计.png

BTS256-EF 闪烁测量(FFT 和最大频率).png

BTS256-EF具有精确余弦视场功能的照度计

BTS256-EF 闪烁测量(FFT 和最大频率)

五、可与BTS256-EF 闪烁计和光谱照度计配置的软件

  • S-SDK-BTS256:BTS256 变体的软件开发套件。

  • S-BTS256:BTS256 变体的应用软件。

六、更多与BTS256-EF 闪烁计和光谱照度计类似的产品

  • MSC15:适用于传统照明和 LED 照明的紧凑型手持式光谱照度计。

  • PFL-200:用于带 BNC 连接器的光电二极管探测器的快速闪烁计(放大器)。

  • CSS-45:适用于传统照明和 LED 照明的紧凑且经济高效的光谱光探测器。

推荐产品

热门资讯

头条

3DMCV7 是MicroStrain 推出的一款具备战术级性能的惯性传感器

佛蒙特州威利斯顿,2022 年 5 月 27 日- 全球运动和控制技术领导者派克汉尼汾公司的派克洛德噪声、振动和声振粗糙度部门通过推出3DM CV7-AHRS 和3DM扩大了其 MicroStrain 传感产品组合CV7-AR 惯性传感器。3DM CV7传感器采用迄今为止最小、最轻的 OEM 封装,提供战术级惯性性能。3DM CV7 传感器专为大批量 OEM 机器人应用而设计,能够以令人难以置信的价值提供始终如一的准确结果。

2025-10-31
探索更多

Gigahertz-Optik BTS256-EF 高精度闪烁计和通用照明光谱照度计

咨询或邀约我们

请在线留言

captcha
我已阅读并同意使用条款隐私保护政策
我已阅读并同意使用条款隐私保护政策