服务热线

400-869-8582

我们能帮您找点什么吗?

Gigahertz-Optik BTS2048-VL 多功能超快速 LED 光谱仪

德国 Gigahertz-Optik BTS2048-VL 是一款多功能、超快速度和高品质 LED 光谱仪/辐射计。

一、BTS2048-VL 光谱仪的特点

  • Bi-Tec传感器*:双传感器可实现更准确的测量。

  • 用于 LED 闪光灯分级的测光表。

  • 测量时间极短(电子快门),高动态范围(滤光轮)。

  • 触发输入和输出、以太网和 USB,用于快速数据传输。

  • 带有漫射器的直接输入光学器件用于照度和光谱辐照度。可通过光通量和光谱辐照度积分球进行扩展。

二、BTS2048-VL 光谱仪介绍

     1、现代多功能阵列光谱辐射计的要求

      在评估阵列光谱仪系统对光辐射参数的绝对测量的适用性时,需要考虑许多因素。例如,只有使用具有宽动态范围的阵列检测器才能测量具有不同额定功率的灯。精确、绝对的测量需要光谱辐射计的整个动态范围完全线性化,并且还需要精确、可追溯的校准。如果电子控制的动态范围(由积分时间设置)不够,则需要额外的衰减滤波器。滤波器选择器必须具有机械坚固性,以确保测量系统的长期稳定性。对于时间关键的应用,例如脉冲模式下的 LED 分级,电子控制的动态范围必须足够大,以避免在测量过程中更换耗时的滤波器。对于绝对测量,CCD 的自动暗信号调整是最有益的。用于前端和后端 LED 分级的光谱辐射计必须能够实现测量与在脉冲模式下运行的测试 LED 的精确同步,需要合适的触发接口和快速数据读出。闪光测量(即光脉冲内的测量)需要电子快门,以便在触发测量之前对所有像素进行瞬时 (ns) 调零。光通量、发光强度和发光强度分布的测量需要额外的配件,例如积分球、发光强度透镜和测角仪。与这些入口光学配件的可重复连接至关重要。将光谱辐射计直接安装到附属设备上有助于避免灵活光导连接的影响。颜色测量的要求包括根据 CIE 13.3、CIE 15 和 TM-30-20(旧版本 TM-30-18 和 TM-30-15)、CIE224 进行精确计算。对于 LED 和半导体行业的应用,系统还必须符合 CIE S025 和 LM-79-08 标准。和 TM-30-20(旧版本 TM-30-18 和 TM-30-15)、CIE224。对于 LED 和半导体行业的应用,系统还必须符合 CIE S025 和 LM-79-08 标准。和 TM-30-20(旧版本 TM-30-18 和 TM-30-15)、CIE224。对于 LED 和半导体行业的应用,系统还必须符合 CIE S025 和 LM-79-08 标准。 


      2、BTS2048-VL,带 BiTec 探测器的二极管阵列光谱辐射计

      BTS2048-VL 满足高端阵列光谱仪的所有要求,并且尽管采用尖端设计,但价格也很优惠。 

      *其独特功能之一是 Gigahertz-Optik 开发的创新BiTec 传感器,该传感器由 V(lambda) 过滤硅光电二极管和光谱辐射计单元组成。这使得它极其线性、稳定和快速,因此保证了更高的测量精度,而且不会带来任何缺点。两个传感器都可以独立使用,并且传感器的相互校正有利于准确性、速度和多功能性(参见有关BTS 技术的文章)。 

      带电子快门的完全线性化 2048 像素 CCD 探测器可实现 2 µs 至 4 s 之间的积分时间,并提供极宽的动态范围,无需额外的衰减滤波器。这比小型仪器提供的常见毫秒积分时间高出三个数量级。 TEC 冷却光谱辐射计 ( BTS2048-VL-TEC)。该变体的积分时间范围为 2 µs 至 60 s。 2 nm 光学带宽可确保 280 nm 至 1050 nm(0.4 nm/像素)范围内的准确光谱测量值。还实施了符合 CIE 214 的数学带宽校正,以自动校正测量值。硅光电二极管在其动态范围内表现出极高的线性度。这使得它们非常适合 BiTec 探测器内 CCD 的线性化(请参阅有关BTS 技术的文章)。持续测量二极管还可用于同步 PWM 信号的测量。这使得能够使用 BTS2048-VL 自动记录绝对光谱数据,这对于没有 BiTec 传感器的传统光谱辐射计来说由于积分时间的原因非常困难。此外,配有光度滤光片(CIE V-lambda)的硅光电二极管可以独立于 CCD 使用。因此,该设备可用于对非常弱的信号执行快速测量,这使得 BTS2048-VL 非常适合集成在测角仪中和其他系统。 BiTec 技术在这方面的另一个优势是能够使用光谱数据集成二极管光谱失配 (f1') 的在线校正。尽管 BTS2048-VL 光谱辐射计的尺寸紧凑,为 103 mm x 107 mm x 52 mm(长x宽x高),但它具有带 OD1 和 OD2 衰减滤光片的遥控滤光轮以及用于暗测量的快门。 


      3、前端和后端 LED 分级中的应用

      BTS2048-VL 非常适合工业前端和后端 LED 分级应用。其基于背照式 CCD 的光谱仪在触发测量之前具有所有像素的电子调零功能。当测试 LED 在脉冲电流模式下工作时,电子快门和测量触发可以通过触发端口与电源同步。强大的微处理器只需 7 毫秒即可通过快速 LAN 接口将完整的数据集传输到系统计算机。 


      4、直接安装而不是使用光导

      BTS2048-VL 光谱辐射计具有扩散器窗口,因此可用于测量辐照度/照度,包括。光谱、颜色、显色指数,无需任何附属设备。通过扩散窗,BTS2048-VL还可以直接安装在积分球、亮度透镜(根据CIE 127)和测角仪等附件上,以测量光通量、发光强度和发光强度分布。 Gigahertz-Optik 还提供适用于光导应用的BTS2048-VL-F 。


      5、用户软件和开发者软件

      标准的S-BTS2048用户软件具有可定制的用户界面,并且非常易于使用。它具有大量的显示和功能模块,当使用 Gigahertz-Optik GmbH 的相应配件配置 BTS2048-VL 时,可以激活这些模块。

      建议使用 S-SDK-BTS2048 开发者软件将 BTS2048-VL 集成到客户自己的软件中。


      6、校准

      光度测量设备的一项基本质量特征是其精确且可追溯的校准。 BTS2048-VL 由 Gigahertz-Optik 的校准实验室进行校准,该实验室已根据 ISO/IEC 17025 获得 DAkkS (DK-15047-01-00) 的光谱响应度和光谱辐照度认证。校准还包括相应的附件组件。每台设备均附有各自的校准证书。

三、BTS2048-VL 光谱仪的技术规格

(1)常规
简短的介绍:

具有宽动态范围的高速光谱辐射计,用于连续波和脉冲测量辐照度/照度、光谱、发光颜色和显色指数。用于测量其他参数的附件。

主要特点:

设备紧凑。 BiTec 探测器,配备背照式 CCD(2048 像素、2 nm 光学带宽、电子快门)和带 V(lambda) 滤光片的硅光电二极管。光学带宽校正(CIE214)。带有快门和衰减滤波器的滤光轮。输入透镜带有扩散器窗口,具有余弦视场。

自动 PWM 同步。

测量范围:光谱:300 nm 至 1050 nm,1 lx 至 3E8 lx(低饱和度白色 LED 的最低水平)
积分:光度测定 360 nm 至 830 nm,0.1 lx 噪声信号高达 3E8 lx
典型应用:用于设计应用的 CCD 光谱辐射计。用于集成到前端和后端 LED 分级测试系统中的模块。校准:工厂校准。可追溯至国际校准标准。
(2)产品
测量数量:

光谱辐照度 (W/(m² nm))、辐照度 (W/m²)、照度 (lx)、光谱辐射强度 (W/(sr nm))、辐射强度 (W/sr)、发光强度 (cd)、主发光波长、峰值波长、中心波长、质心波长、x、y、u´、v´、X、Y、Z、delta uv、色温、显色指数 (CRI) Ra、R1-R15、

TM-30-20 、CIE224、CQS、CIE170等。

可选积分球:另外光谱通量(W/nm)和光通量(lm)
可选测角仪:另外辐射强度(W/sr)分布和发光强度(cd)分布
传感器:精度等级 B 符合 DIN 5032 和 CIE No. 69滤光轮:4 个位置(打开、关闭、OD1、OD2)。用于远程暗电流测量和动态范围扩展
f1`、u、f3 和 f4 精度等级 A 符合 DIN 5032 和 CIE No. 69输入光学器件:扩散器,余弦校正视场 (f2 ≤ 3 %)
BiTec:可以使用二极管和阵列进行并行测量,从而通过二极管对阵列进行线性校正,并分别通过a*(s z ( λ )) F*(s z ( λ )) 在线校正二极管的光谱失配。
(3)光谱探测器
校准不确定度:光谱辐照度
λu(k=2)
(300 - 304) nm:± 7 %
(305 - 349) nm:± 5 %
(350 - 399) nm:± 4.5 %
(400 - 780) nm:± 4 %
(781 - 1030) nm:± 4.5 %
(1031 - 1050) nm:± 5.5 %
光谱辐照度响应度 (280 - 1050) nm。标准校准 (350 - 1050) nm,可选推荐校准 (300 - 1050) nm。BTS2048-VL-TEC可实现全系列。
积分时间:

2μs - 4s *1

光谱范围:(280 -1050) nm,参见校准限制
光带宽:2 nm像素分辨率:~0.4 nm/像素
像素数:2048芯片:高灵敏背照式CCD芯片
峰值波长:± 0.2 nm模数转换器:16bit(25 ns 指令周期时间)
主波长:± 0.5 nm  *2Δy Δx 不确定度:± 0.0015(标准光源A)
重复性 Δx 和 Δy:±0.0001± 0.0020(普通LED)
相关色温:标准光源A 30K; LED 高达 ± 1.5%,具体取决于 LED 光谱
带通校正:支持数学在线带通校正线性度:完全线性化芯片>99.6%
杂散光:2E-4    *3基线噪声:5 cts     *4
信噪比:5000    *5动态范围:>9 震级
CRI(显色指数):Ra 和 R1 至 R15光谱辐照度响应范围:(2E-5 - 2E5) W/(m²nm)   *6*7
典型测量时间:10 lx2,5 s*10
100 lx250 ms*10
1000 lx25 ms*10
(4)一体式探测器
筛选:

光谱响应度与精细的 CIE 光度匹配。通过光谱测量数据在线校正光度匹配(光谱失配因子校正)。

测量范围:九 (9) 个测量范围,具有卓越的偏移校正功能
测量时间:20 µs  - 6000 ms
范围上升时间 (10 – 90) %
0,1,250 µs
3,4,565 µs
6,7,81.5 ms
校准:照度 ± 2.2 %模数转换器:16bit
f1'(光谱不匹配):≤6%(未校正)测量范围:最小可测量照度值(二极管):0.1 lx *11
≤1,5%(f1' a*(s z ( λ )) 分别通过光谱数据校正 F*(s z ( λ )),由 BTS 技术自动完成)最大可测量照度值(二极管):3E8 lx *12
(5)图表
光谱响应度:

光谱响应度1.png

f2(方向响应/余弦误差):

f2(方向响应余弦误差)1.png

(6)其它
微处理器:

32位用于设备控制,16位用于CCD阵列控制,8位用于光电二极管控制

接口:USB V2.0、以太网(LAN UDP协议)、RS232、RS485
数据传输:标准为 2048 个浮点数组值,通过以太网 7ms,通过 USB 2.0 140 ms输入接口:2x (0 - 25) VDC,1x 光电耦合器隔离 5 V / 5 mA
输出接口:最大 2x 集电极开路最大 25V 500毫安扳机:合并触发输入(不同选项、上升/下降沿、延迟等)
软件:用户软件 S-BTS2048电源:带电源:直流输入 5V (±10 %) @ 700 mA
可选软件开发套件 S-SDK-BTS2048,用于基于 C、C++、C# 或 LabView 中的 .dll 进行用户软件设置带 USB 总线 (500mA) *8
尺寸:103 mm x 107 mm x 52 mm(长×宽×高)温度范围:储存:(-10 至 50)℃
重量:500克操作:(10 至 30)°C *9
安装:三脚架和 M6 螺纹
前适配器 UMPA-1.0-HL,与积分球端口框架 UMPF-1.0-HL 配合使用
信息:*1 建议每次改变积分时间时执行一次新的暗信号测量。
*2 典型值,主波长的不确定性取决于 LED 的光谱分布。
*3 典型值,在 LED 峰值左侧 100nm 处测量冷白色宽带 LED。
*4 *5 典型值是在未对 4ms 测量时间和阵列的满量程控制进行平均的情况下测得的。平均导致 S/N 二次上升。即基本噪声二次下降,例如平均到 100 倍,将 S/N 提高 10 倍。
*6 最小 500/1 S/N。全量程控制下的最大值。
*7 只允许短时间照射,以避免热损伤。
*8 在 USB 连接期间,由于电流供应有限,例如没有以太网,并非所有功能都可用。
*9 设备需要温度稳定在约 100 ℃。 25分钟如果在预热阶段进行测量,或者在变化的温度下进行测量,则每次测量都需要进行暗信号测量。在高温和最大积分时间下,可以使用降低的动态。
*10 白色 LED 测量和 20000 计数(信号暗)饱和度<。
*11 2 秒测量时间(典型值 1E-2 lx)时最灵敏测量范围内噪声的标准偏差。
*12 使用 OD2 滤光片,仅照明很短时间由于热损坏而允许的时间。
选项(1):150mm 积分球 (UMBB-150)
光谱辐射通量响应度范围(光谱测量):

(5E-8 - 5E2) W/nm

典型测量时间:20000 cts 测量:
1 lm 80 ms
光通量测量范围(积分测量):(3E-5 - 1E5) lm10 lm8 ms
100 lm800 μs
球体直径:150 mm通过 5000 cts 和降噪优化测量时间:
10 lm2 ms
校准:光通量:±4%
光谱辐射功率:
(350 - 399) nm:OD0: ± 8 %OD1: ± 10 %OD2: ± 10 %
(400 - 800) nm:OD0: ± 4,5 %OD1: ± 4,5 %OD2: ± 4,5 %
(801 - 1000) nm:OD0: ± 6,5 %OD1: ± 6,5 %OD2: ± 6,5 %
(1001 - 1050) nm:OD0: ± 8 %OD1: ± 10 %OD2: ± 10 %
光谱辐射功率响应度 (350 - 1050) nm
选项(2):210mm 积分球 (UMBB-210)
光谱辐射通量响应度范围(光谱测量):

(1E-7 - 1E3) W/nm

典型测量时间:20000 cts 测量:
1 lm 160 ms
光通量测量范围(积分测量):(7E-5 - 2E5) lm10 lm16 ms
100 lm1600 μs
球体直径:210 mm通过 5000 cts 和降噪优化测量时间:
10 lm4 ms
校准:光通量:±4%
光谱辐射功率:
(350 - 399) nm:OD0: ± 8 %OD1: ± 10 %OD2: ± 10 %
(400 - 800) nm:OD0: ± 4,5 %OD1: ± 4,5 %OD2: ± 4,5 %
(801 - 1000) nm:OD0: ± 6,5 %OD1: ± 6,5 %OD2: ± 6,5 %
(1001 - 1050) nm:OD0: ± 8 %OD1: ± 10 %OD2: ± 10 %
光谱辐射功率响应度 (350 - 1050) nm
选项(3):1000mm 积分球 (UMTB-1000-HFT)
光谱辐射通量响应度范围(光谱测量):

(2E-6 - 2E4) W/nm

典型测量时间:20000 cts 测量:
10 lm 450 ms
光通量测量范围(积分测量):(1E-3 - 4E6) lm100 lm45 ms
1000 lm4,5 s
球体直径:1000 mm通过 5000 cts 和降噪优化测量时间:
10 lm112 ms
校准:光通量:±4%
光谱辐射功率:
(350 - 399) nm:OD0: ± 8 %OD1: ± 11 %OD2: ± 11 %
(400 - 800) nm:OD0: ± 4,5 %OD1: ± 5 %OD2: ± 5 %
(801 - 1000) nm:OD0: ± 6,5 %OD1: ± 7 %OD2: ± 7 %
(1001 - 1050) nm:OD0: ± 8 %OD1: ± 11 %OD2: ± 11 %
光谱辐射功率响应度 (350 - 1050) nm
选项(4):测角仪 (GB-GD-360-RB40)
光谱辐射强度响应度范围:

(1E-5 - 1E5) W/(sr nm) ;以1m测量距离

发光强度测量范围(积分测量):(1E-1 - 3E8) cd ;以1m测量距离
校准:发光强度:±4%
光谱辐射强度:
(350 - 399) nm:OD0: ± 7 %OD1: ± 8 %OD2: ± 9 %
(400 - 800) nm:OD0: ± 4 %OD1: ± 4 %OD2: ± 4 %
(801 - 1000) nm:OD0: ± 6 %OD1: ± 6 %OD2: ± 6 %
(1001 - 1050) nm:OD0: ± 7 %OD1: ± 8 %OD2: ± 9 %
光谱辐射强度响应度 (350 - 1050) nm
选项(5):ILED-B (CP-ILED-B-IS-1.0-HL)
光谱辐射强度 (ILED-B) 响应度范围(光谱测量):

(5E-7 - 5E3) W/nm

测量范围 ILED-B(积分测量):(3E-4 - 1E6) cd
校准:发光强度 ILED-B:± 4 %
光谱辐射强度 ILED-B:
(350 - 399) nm:OD0: ± 7 %OD1: ± 8 %OD2: ± 9 %
(400 - 800) nm:OD0: ± 4 %OD1: ± 4 %OD2: ± 4 %
(801 - 1000) nm:OD0: ± 6 %OD1: ± 6 %OD2: ± 6 %
(1001 - 1050) nm:OD0: ± 7 %OD1: ± 8 %OD2: ± 9 %
光谱辐射强度响应度 (350 - 1050) nm

四、BTS2048-VL 光谱仪产品图

产品图

BTS2048-VL光谱仪直接安装测量装置和附件1.jpg

BTS2048-VL光谱仪结构图1.png

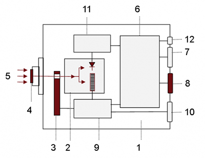
直接安装测量装置和附件

1) BTS2048-VL 2) 带 Si 光电二极管的 BiTec 传感器、CCD 阵列光谱仪 3) 带 OD1、OD2 和快门的滤光轮 

4) 精密余弦漫射器 5) 光入射 6) 用于数据处理和通信的微处理器 7) USB 2.0 接口 8)高速以太网接口 

9) 微处理器 CCD 传感器控制 10) 触发输入/输出 11) 微处理器光电二极管 12) 直流电源

BTS2048-VL光谱仪电子快门1.jpg

S-BTS2048 用户软件界面1.jpg

电子快门减少测量时间S-BTS2048 用户软件界面

五、可与BTS2048-VL 光谱仪配置的仪器设备

  • GB-GD-360-RB40-2-BTS2048-VL:用于测量 2π 射灯和 LED 的发光强度分布的系统。

  • TPI21-TH:用于测试 LED 和 LED 组件的测量系统。

  • ISD-15-BTS2048-VL:用于 LED 测试和系统集成的紧凑型积分球光谱辐射计系统。

  • ISD-25-BTS2048-VL:用于测量最大 76.2 毫米的单个 2π LED 灯的光通量和光色的系统。

  • BTS2048-VL-CP-ILED-B-IS-1.0-HL:CCD 传感器光谱辐射计,用于测量 CIE 127B 平均 LED 强度。特点: 测量适配器具有紧凑的积分球,可实现均匀的活动区域。用于 CW 和脉冲测量的高端 CCD 传感器光谱辐射计。

六、更多与BTS2048-VL 光谱仪类似的产品

  • BTS2048-VL-TEC:多功能温控高速高质量 LED 光谱仪。

  • BTS2048-VL-F:多功能高速 BTS2048-VL 的光纤耦合版本。

  • BTS2048-VL-TEC-F:多功能高速 BTS2048-VL-TEC 的光纤耦合版本。

  • BTS2048 Series:紧凑型光谱辐射计具有出色的光学性能和 BiTec 技术,可实现实验室和现场使用的精确测量。

推荐产品

热门资讯

头条

3DMCV7 是MicroStrain 推出的一款具备战术级性能的惯性传感器

佛蒙特州威利斯顿,2022 年 5 月 27 日- 全球运动和控制技术领导者派克汉尼汾公司的派克洛德噪声、振动和声振粗糙度部门通过推出3DM CV7-AHRS 和3DM扩大了其 MicroStrain 传感产品组合CV7-AR 惯性传感器。3DM CV7传感器采用迄今为止最小、最轻的 OEM 封装,提供战术级惯性性能。3DM CV7 传感器专为大批量 OEM 机器人应用而设计,能够以令人难以置信的价值提供始终如一的准确结果。

2025-10-31
探索更多

Gigahertz-Optik BTS2048-VL 多功能超快速 LED 光谱仪

咨询或邀约我们

请在线留言

captcha
我已阅读并同意使用条款隐私保护政策
我已阅读并同意使用条款隐私保护政策