服务热线

400-869-8582

我们能帮您找点什么吗?

Baumer FSDK 10D9601/S35A 对射式传感器

堡盟 Baumer FSDK 10D9601/S35A 是一款微型对射式传感器,货号: 10131282。

一、FSDK 10D9601/S35A 对射式传感器的特点

    • 发射 / 接收类型:发射器。

    • 类型:对射式传感器。

    • 实际感应范围:5 m。

    • 光源:脉冲红光LED。

    • 连接方式:M8接头,4针。

    • 工作温度:-25 … 65 °C。

    • 防护等级:IP 67。

二、FSDK 10D9601/S35A 对射式传感器的技术规格

(1)基本参数

类型:

对射式传感器

发射器 / 接收器:

发射器

光源:脉冲红光LED实际感应范围 Sb:5 m
额定感应范围 Sn:6 m波长:660 nm

(2)电气参数

响应时间 / 释放时间:

10 … 30 VDC

最大电流消耗(无负载):

23 mA

典型电流消耗:15 mA反极性保护:

(3)机械参数

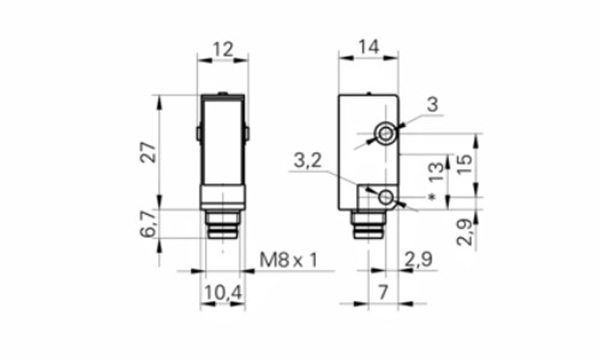
宽度 / 直径:

10,4 mm

高度 / 长度:

27 mm

深度:14 mm类型:矩形
外壳材质:塑料(ASA)前端光学元件:PMMA
连接方式:M8 接头,4针

(4)环境条件

工作温度:

-25 … +65 °C

防护等级:

IP 67

三、与 FSDK 10D9601/S35A 对射式传感器配套的接收器

对射式传感器—接收器

FEDK 10N5101

货号: 10139968

FEDK 10N5101/S35A

货号: 10132393

FEDK 10P1101/KS35

货号: 10146078

FEDK 10P3101/KS35

货号: 10146079

FEDK 10P5101

货号: 10139963

FEDK 10P5101/S35A

货号: 10131284

四、FSDK 10D9601/S35A 对射式传感器相关介绍

相关介绍

FSDK 10D9601S35A 对射式传感器尺寸图1.jpg

Baumer FSDK 10D9601S35A传感器接线图1.jpg

FSDK 10D9601/S35A 对射式传感器尺寸图FSDK 10D9601/S35A 对射式传感器接线图

推荐产品

热门资讯

头条

3DMCV7 是MicroStrain 推出的一款具备战术级性能的惯性传感器

佛蒙特州威利斯顿,2022 年 5 月 27 日- 全球运动和控制技术领导者派克汉尼汾公司的派克洛德噪声、振动和声振粗糙度部门通过推出3DM CV7-AHRS 和3DM扩大了其 MicroStrain 传感产品组合CV7-AR 惯性传感器。3DM CV7传感器采用迄今为止最小、最轻的 OEM 封装,提供战术级惯性性能。3DM CV7 传感器专为大批量 OEM 机器人应用而设计,能够以令人难以置信的价值提供始终如一的准确结果。

2025-10-31
探索更多

Baumer FSDK 10D9601/S35A 对射式传感器

咨询或邀约我们

请在线留言

captcha
我已阅读并同意使用条款隐私保护政策
我已阅读并同意使用条款隐私保护政策