服务热线

400-869-8582

我们能帮您找点什么吗?

Baumer FPDK 14P5101/S35A 反射板式传感器

堡盟 Baumer FPDK 14P5101/S35A 标准型反射板式传感器|回归反射传感器,货号: 11001138。

一、FPDK 14P5101/S35A 反射板式传感器的特点

    • 类型:镜反射式传感器。

    • 实际感应范围:7 m。

    • 光源:脉冲红光LED。

    • 输出电路:PNP。

    • 常开。

    • 连接方式:M8接头,4针。

    • 工作温度:-25 … 65 °C。

    • 防护等级:IP 67。

二、FPDK 14P5101/S35A 反射板式传感器的技术规格

(1)基本参数

类型:

反射板式传感器

光源:

脉冲红光LED

实际感应范围 Sb:7 m额定感应范围 Sn:7,2 m
偏振滤光镜:调节/镜头受污指示灯:闪烁的指示灯
指示灯:黄色LED灵敏度调节:
波长:660 nm交互影响抑制:

(2)电气参数

响应时间 / 释放时间:

< 1 ms

电源电压范围 +Vs:

10 … 30 VDC

最大电流消耗(无负载):25 mA典型电流消耗:20 mA
压降 Vd:<1,8 VDC输出功能:亮通/暗通
输出电路:PNP输出电流:100 mA
短路保护:反极性保护:

(3)机械参数

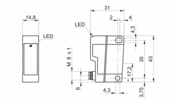
宽度 / 直径:

14,8 mm

高度 / 长度:

43 mm

深度:31 mm类型:矩形
外壳材质:塑料(ASA、MABS)前端光学元件:PMMA
连接方式:M8 接头,4针

(4)环境条件

工作温度:

-25 … +65 °C

防护等级:

IP 67

三、FPDK 14P5101/S35A 反射板式传感器的相关介绍

相关介绍

Baumer FPDK 14P5101S35A 反射板式传感器尺寸图1.jpg

Baumer FPDK 14P5101S35A 反射板式传感器接线图1.jpg

FPDK 14P5101/S35A 反射板式传感器尺寸图FPDK 14P5101/S35A 反射板式传感器接线图

推荐产品

热门资讯

头条

3DMCV7 是MicroStrain 推出的一款具备战术级性能的惯性传感器

佛蒙特州威利斯顿,2022 年 5 月 27 日- 全球运动和控制技术领导者派克汉尼汾公司的派克洛德噪声、振动和声振粗糙度部门通过推出3DM CV7-AHRS 和3DM扩大了其 MicroStrain 传感产品组合CV7-AR 惯性传感器。3DM CV7传感器采用迄今为止最小、最轻的 OEM 封装,提供战术级惯性性能。3DM CV7 传感器专为大批量 OEM 机器人应用而设计,能够以令人难以置信的价值提供始终如一的准确结果。

2025-10-31
探索更多

Baumer FPDK 14P5101/S35A 反射板式传感器

咨询或邀约我们

请在线留言

captcha
我已阅读并同意使用条款隐私保护政策
我已阅读并同意使用条款隐私保护政策